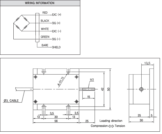
Description
Specifications
| Specifications | Accuracy |
|---|---|
| Rated capacity | 5N(500 gf) to 19.61 N(2 kgf) |
| Safe overload | 150% R.C. |
| Ultimate overload | 150% R.C. |
| Rated output | 1.2 ~ 1.5mV/V |
| Non-linearity | 0.2% R.O. |
| Hysteresis | 0.2% R.O. |
| Repeatability | 0.2% R.O. |
| Excitation, recommended | 5V |
| Zero balance | ±0.2㎷/V |
| Input resistance | 350Ω±40Ω |
| Output resistance | 350Ω±40Ω |
| Insulation resistance | 1000㏁ or more (DC 50V) |
| Temperature range, compensated | 0℃ to 50℃ |
| Temperature range, safe | -10℃ to 60℃ |
| Temperature effect, on zero balance | 0.5%, R.O./10℃ |
| Temperature effect, on output | 0.5%, LOAD/10℃ |
| Cable | φ3.4core shield cable, 2m |

